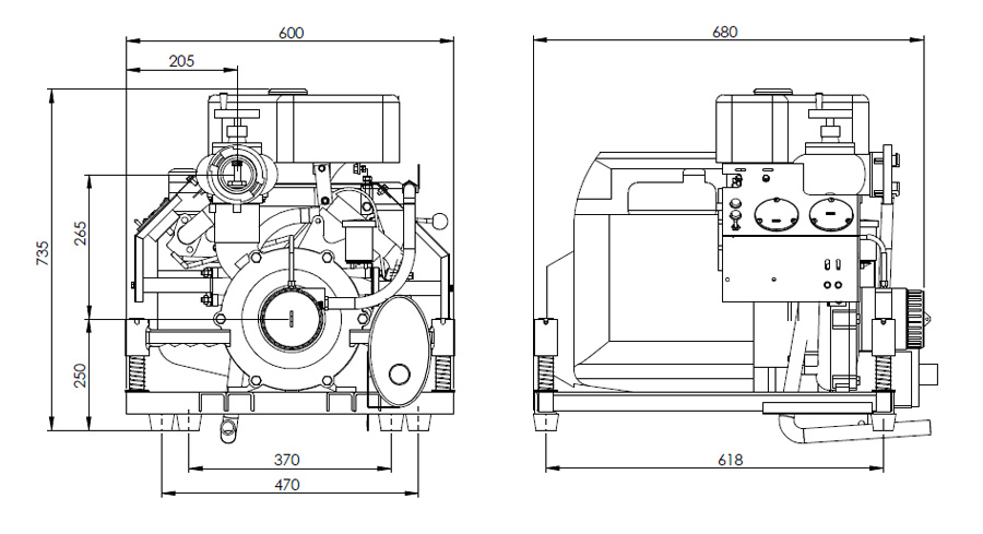
單位:mm


838cc、WS power
四沖程、風冷柴油機
22PS(16.2Kw)
550 L/min . At 0.6 Mpa
1100 L/min . At 0.5 Mpa
1700 L/min . At 0.3Mpa
102kg
1、大容量腔體真空泵——真空泵腔體改良后是原來腔體排氣量的2倍,在抽空氣時可以更短時間內把管內的空氣排盡,出水時間更快,引水時間小于10秒,引水高度更高,可達9米。
2、免維護蓄電池——此設備具有電啟動功能,免維護蓄電池能有效防止電解液外泄而引起的環境污染,同時蓄電池穩定可靠能保證設備隨時隨地正常啟動。
3、多臺設備串聯——通過專用的連接工具,使多臺設備能同時串聯工作,達到遠距離供水的目的。
4、自動充電裝置——帶有自動充電裝置功能的設備能保證機器在運轉過程中自行給蓄電池充電,保證蓄電池電量充足。
5、設備噪音低——經過精心設計的大容量排氣筒能有效吸收發動機排出來的噪音,有效降低噪音污染。
6、原發動機功率升級——自主研發擁有核心專利技術,產品成熟可靠 ;功率強勁、機油溫度低 ;機油消耗低、排放好;啟動輕便、用途廣泛
| 發動機 | 類型 | 四沖程 | 水泵 | 泵浦類 | 單吸單級葉輪 |
| 缸數 | 雙缸 | 吸入口口徑 | 3”(80mm) | ||
缸徑×行程(mm) | 87×76(918cc) | 吸入口螺紋 | JIS消防螺紋 | ||
| 最大輸出功率 | 22PS(16.2Kw) | 出水口口徑 | 2.5”(65mm) | ||
額定輸出功率 | 18PS(13Kw) | 出水口螺紋 | 英制管牙螺紋 | ||
燃油類型 | 0號及以下柴油 | 出水口數量 | 1個(可選2個) | ||
油箱容量 | 6.5升 | ||||
| 燃油系統 | 直噴 | 出水閥類型 | 球閥式 | ||
| 潤滑系統 | 壓力飛濺潤滑 | 引水方式 | 旋片式真空泵引水 | ||
機 油 容 量 | 1.9升 | 引水時間 | ≤15秒 | ||
啟 動 方 式 | 電啟動(可裝手啟動、遙控啟動) | 最大吸深 | 9米 | ||
| 點火方式 | 高壓霧化 | 出水性能 | 550 L/min.at0.6Mp | ||
耗 油 量 | 4.0升/小時 | 1100 L/min.at 0.5Mpa | |||
1700 L/min.at 0.3 Mpa | |||||
最高揚程 | 60米 | ||||
| 外形尺寸 | L×W×H(mm) | 680×600×735 | 整機重量 | 凈重 | 102kg |
隨機附件(可選):7米進水管1根、維修工具1套、備品備件1套、出水帶1圈、出水槍1支; | |||||