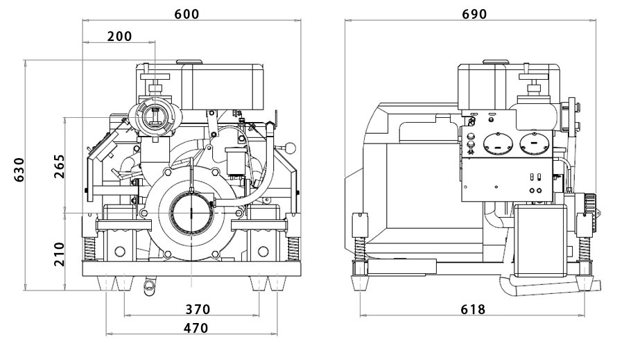
單位:mm


日本本田(GX690)
四沖程、風冷汽油機
27PS(20Kw)
960 L/min . At 0.6 Mpa
1180 L/min . At 0.4 Mpa
1500 L/min . At 0.2 Mpa
85kg
1、大容量腔體真空泵——真空泵腔體改良后是原來腔體排氣量的2倍,在抽空氣時可以更短時間內把管內的空氣排盡,出水時間更快,引水時間小于10秒,引水高度更高,可達9米。
2、免維護蓄電池——此設備具有電啟動功能,免維護蓄電池能有效防止電解液外泄而引起的環境污染,同時蓄電池穩定可靠能保證設備隨時隨地正常啟動。
3、多臺設備串聯——通過專用的連接工具,使多臺設備能同時串聯工作,達到遠距離供水的目的。
4、自動充電裝置——帶有自動充電裝置功能的設備能保證機器在運轉過程中自行給蓄電池充電,保證蓄電池電量充足。
5、設備噪音低——經過精心設計的大容量排氣筒能有效吸收發動機排出來的噪音,有效降低噪音污染。
6、大出水流量——可達到25升每秒的出水量,保證給消防車供水,為公司同系列產品中流量最大的設備之一。
7、自動停機保護裝置——設備帶有機油保護裝置,當機油低于工作需要液面時,發動機會自行檢測到內部壓力失壓而停止運轉,防止發動機內部因缺油而損壞。
| 發動機 | 類型 | 四沖程 | 水泵 | 泵浦類 | 單吸單級葉輪 |
| 缸數 | 雙缸 | 吸入口口徑 | 3”(80mm) | ||
缸徑×行程(mm) | 78×72(688cc) | 吸入口螺紋 | JIS消防螺紋 | ||
| 最大輸出功率 | 27PS(20Kw) | 出水口口徑 | 2.5”(65mm) | ||
額定輸出功率 | 20PS(14.8Kw) | 出水口螺紋 | 英制管牙螺紋 | ||
燃油類型 | 92號及以上汽油 | 出水口數量 | 1 | ||
油箱容量 | 7升 | ||||
| 燃油系統 | 電磁閥-化油器 | 出水閥類型 | 球閥式 | ||
| 潤滑系統 | 強制潤滑 | 引水方式 | 旋片式真空泵引水 | ||
機 油 容 量 | 1.5升 | 引水時間 | ≤15秒 | ||
啟 動 方 式 | 手/電啟動(可裝遙控啟動) | 最大吸深 | 9米 | ||
| 點火方式 | 晶體管電子點火 | 出水性能 | 960 L/min.at0.6Mp | ||
耗 油 量 | 7升/小時 | 1180 L/min.at 0.4Mpa | |||
1500 L/min.at 0.2 Mpa | |||||
最高揚程 | 90米 | ||||
| 外形尺寸 | L×W×H(mm) | 690×600×630 | 整機重量 | 凈重 | 85kg |
隨機附件(可選):7米進水管1根、維修工具1套、備品備件1套、出水帶1圈、出水槍1支; | |||||