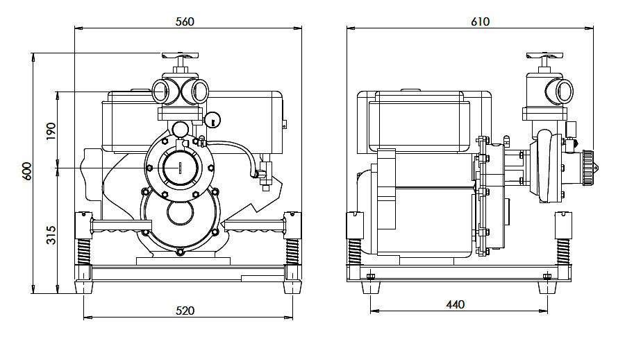
單位:mm

四沖程、風冷汽油機
科勒-K 本田-H
14PS(10.3Kw)
13PS(9.6Kw)
220 L/min . At 1.0 Mpa
400 L/min . At 0.8 Mpa
500 L/min . At 0.6 Mpa
67kg 65kg
1、免維護蓄電池——此設備具有電啟動功能,免維護蓄電池能有效防止電解液外泄而引起的環境污染,同時蓄電池穩定可靠能保證設備隨時隨地正常啟動。
2、多臺設備串聯——通過專用的連接工具,使多臺設備能同時串聯工作,達到遠距離供水的目的。
3、自動充電裝置——帶有自動充電裝置功能的設備能保證機器在運轉過程中自行給蓄電池充電,保證蓄電池電量充足。
4、設備噪音低——經過精心設計的大容量排氣筒能有效吸收發動機排出來的噪音,有效降低噪音污染。
5、遠程控制——可通過選裝遙控裝置來控制設備的啟動、熄火、加壓、減壓等步驟,達到遠距離控制的目的。
6、可旋轉手抬架——整機框架由高強度機架與鋁合金手柄配合起來,可360度旋轉,方便搬運。
| 發動機 | 類型 | 四沖程 | 水泵 | 泵浦類 | 單吸單級葉輪 |
| 缸數 | 單缸 | 吸入口口徑 | 2.5”(65mm) | ||
缸徑×行程(mm) | 88×64(389cc) | 吸入口螺紋 | JIS消防螺紋 | ||
| 最大輸出功率 | 14PS(10.3Kw) | 噴水口口徑 | 1.5”(40mm) | ||
額定輸出功率 | 11.5PS(8.2Kw) | 噴水口螺紋 | 英制管牙螺紋 | ||
燃油類型 | 92號及以上汽油 | 噴水口數量 | 2個 | ||
油箱容量 | 6.5升 | ||||
| 燃油系統 | 化油器 | 出水閥類型 | 球閥式 | ||
| 潤滑系統 | 強制潤滑 | 引水方式 | 排氣式引水 | ||
機 油 容 量 | 0.9升 | 引水時間 | ≤35秒 | ||
啟 動 方 式 | 手/電啟動(可裝遙控啟動) | 最大吸深 | 6米 | ||
| 點火方式 | 晶體管電子點火 | 出水性能 | 220 L/min.at 1.0 Mpa | ||
耗 油 量 | 3.5升/小時 | 400 L/min.at 0.8 Mpa | |||
500 L/min.at 0.6 Mpa | |||||
最高揚程 | 150米 | ||||
| 外形尺寸 | L×W×H(mm) | 610×560×600 | 整機重量 | 凈重 | 67kg |
隨機附件(可選):7米進水管1根、維修工具1套、專用機油1瓶、備品備件1套; | |||||